
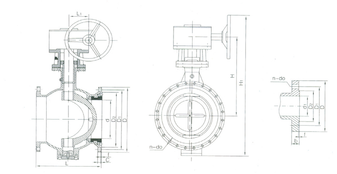
偏心半球閥和法蘭閘閥是同屬一個類型的閥門,區別在它的關閉件是個球體,球體繞閥體中心線作旋轉來達到開啟、關閉的一種閥門。 球閥在管路中主要用來做切斷、分配和改變介質的流動方向。二片式球閥、三片式球閥是被廣泛采用的一種新型閥門,是靠旋轉閥鏈來使閥門暢通或閉塞。球閥開關輕便,體積小,可以做成很大口徑,密封可靠,結構 簡單,維修方便,密封面與球面常在閉合狀態,不易被介質沖蝕,在各行業得到廣泛的應用。
偏心半球閥特點:
1. 流體阻力小,其阻力系數與同長度的管段相等。
2. 結構簡單、體積小、重量輕。
3. 緊密可靠,球閥的密封面材料廣泛使用塑料、密封性好,在真空系統中也已廣泛使用。
4. 操作方便,開閉迅速,從全開到全關只要旋轉90°,便于遠距離的控制。
5. 維修方便,球閥結構簡單,密封圈一般都是活動的,拆卸更換都比較方便。
6. 在全開或全閉時,球體和閥座的密封面與介質隔離,介質通過時,不會引起閥門密封面的侵蝕。
7. 適用范圍廣,通徑從小到幾毫米,大到幾米,從高真空至高壓力都可應用。 球旋轉90度時,在進、出口處應全部呈現球面,從而截斷流動。
偏心半球閥是一種比較新型的球閥類別,它有著自身結構所獨有的一些優越性,如開關無摩擦,密封不易磨損,啟閉力矩小。這樣可減小所配執行器的規格。配以多回轉電動執行機構,可實現對介質的調節和嚴密切斷。廣泛適用于石油、化工、城市給排水等要求嚴格切斷的工況。